The image depicts a manual machine with a handle. It features two rollers and an area where paper strips are processed. The mechanism appears sturdy and functional.
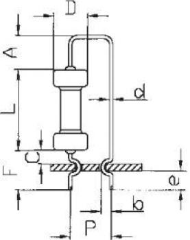
The image displays a technical drawing of a component with various dimensions (A, B, C, D, etc.). It is a schematic representation with lines and shapes that illustrate a specific structure.
Preview: The image depicts a manual machine with a handle. It features two rollers and an area where paper strips are processed. The mechanism appears sturdy and functional.
Preview: The image displays a technical drawing of a component with various dimensions (A, B, C, D, etc.). It is a schematic representation with lines and shapes that illustrate a specific structure.

Product Family

TP 6 / V-PR

Cutting and bending machine for axial components, with crimping device, standing assembly

With the cutting and bending machine TP 6 / V PR taped axial components for the standing mounting can be cut and bent. The crimping device makes a crimp (snap in) on the leads. An adjustable motor drive is recommended and available as an accessory. Components with leads up to a diameter of 0.8 mm can be processed.

The machines differ in the pitch pattern (P = 2.54 mm or 5.08 mm)


Article image
Article description
Tape pitch pattern P
Lead diameter d
Body diameter D
Price
Compare
Show Compare List (0)

This product is similar to: